СБН 57.7.3.0
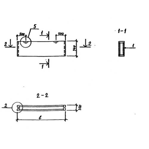
Характеристики изделия:
| Параметр | Значение |
|---|---|
| длина | 5710 мм |
| ширина | 300 мм |
| высота | 740 мм |
| вес | 1020 кг |
| серия | ТП 213-2-183 |
Цена:
Рассчитать стоимостьСБН 57.7.3.0 Стеновые блоки наружные по проекту ТП 213-2-183.
| Параметр | Значение |
|---|---|
| длина | 5710 мм |
| ширина | 300 мм |
| высота | 740 мм |
| вес | 1020 кг |
| серия | ТП 213-2-183 |
СБН 57.7.3.0 Стеновые блоки наружные по проекту ТП 213-2-183.
