ПСТ 72.21.3.5

Чертеж изделия:
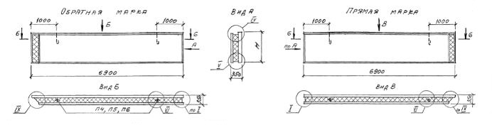
Характеристики изделия:
ПараметрЗначение
длина7180 мм
ширина350 мм
высота2085 мм
масса6000 кг
нормативный документШифр М25.13/98

ПСТ 72.21.3.5 Панели стеновые трёхслойные по Шифру М25.13/98.