ПСТ 5.21.3.5

Чертеж изделия:
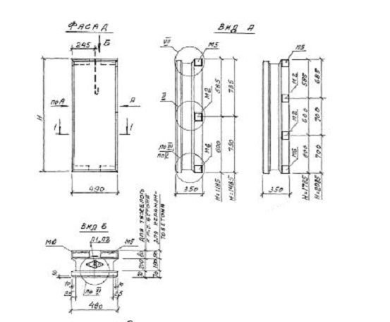
Характеристики изделия:
ПараметрЗначение
длина490 мм
ширина350 мм
высота2085 мм
масса410 кг
нормативный документШифр М25.13/98

ПСТ 5.21.3.5 Панели стеновые трёхслойные по Шифру М25.13/98.