БЭ 1

Чертеж изделия:
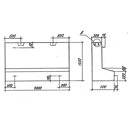
Характеристики изделия:
ПараметрЗначение
длина2000 мм
ширина700 мм
высота1200 мм
масса2500 кг
нормативный документШифр 2175РЧ

БЭ 1 Блоки противфильтрационного экрана по Шифру 2175РЧ.