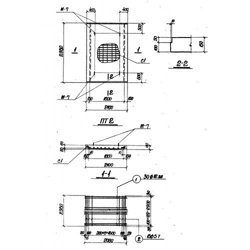
ПТ 2

Чертеж изделия:
Характеристики изделия:
ПараметрЗначение
длина2980 мм
ширина2100 мм
высота150 мм
вес2200 кг
серияИС 01-05

ПТ 2 Плиты перекрытия по серии ИС 01-05.