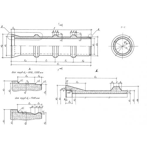
ТСР 140.35

Чертеж изделия:
Характеристики изделия:
ПараметрЗначение
длина3690 мм
ширина1960 мм
высота1960 мм
масса7000 кг
нормативный документСерия 3.820.1-81.94

ТСР 140.35  Труба бетонная безнапорная ребристая раструбная, имеющая ступенчатую стыковую поверхность втулочного конца. Уплотнение стыковой поверхности таких элементов производится резиновыми кольцамиСерия 3.820.1-81.94.