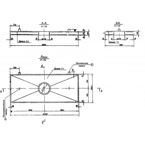
ПУ 5.0-6.0
Характеристики изделия:
| Параметр | Значение |
|---|---|
| длина | 3600 мм |
| ширина | 1500 мм |
| высота | 200 мм |
| вес | 2575 кг |
| серия | 3.820-9 |
Цена:
Рассчитать стоимостьПУ 5.0-6.0 Плиты упорные по серии 3.820-9.
| Параметр | Значение |
|---|---|
| длина | 3600 мм |
| ширина | 1500 мм |
| высота | 200 мм |
| вес | 2575 кг |
| серия | 3.820-9 |
ПУ 5.0-6.0 Плиты упорные по серии 3.820-9.
