УБ-6

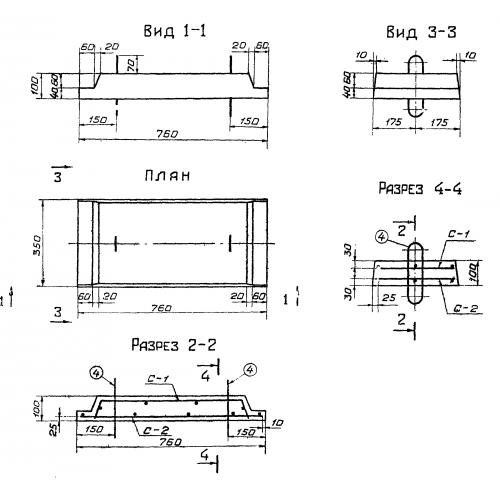
Чертеж изделия:
Характеристики изделия:
ПараметрЗначение
длина760 мм
ширина350 мм
высота100 мм
масса60 кг
нормативный документСерия 3.820-11

УБ-6 Блоки распорные по Серии 3.820-11.