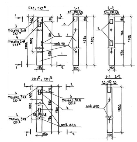
СК 1
Характеристики изделия:
| Параметр | Значение |
|---|---|
| длина | 1800 мм |
| ширина | 150 мм |
| высота | 150 мм |
| масса | 102 кг |
| нормативный документ | Серия 3.818.9-2 |
Цена:
Рассчитать стоимостьСК 1 Стойки ограждения Серия 3.818.9-2.
| Параметр | Значение |
|---|---|
| длина | 1800 мм |
| ширина | 150 мм |
| высота | 150 мм |
| масса | 102 кг |
| нормативный документ | Серия 3.818.9-2 |
СК 1 Стойки ограждения Серия 3.818.9-2.