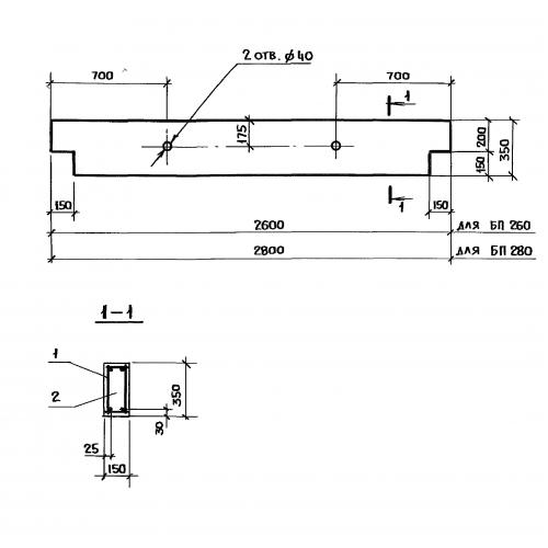
БП 260

Чертеж изделия:
Характеристики изделия:
ПараметрЗначение
длина2600 мм
ширина150 мм
высота350 мм
вес325 кг
серия3.818.9-2

БП 260 Балки перекрытия каналов по серии 3.818.9-2.