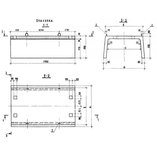
Л-1 блок лотка

Чертеж изделия:
Характеристики изделия:
ПараметрЗначение
длина1990 мм
ширина1280 мм
высота680 мм
вес950 кг
серия3.503.1-66

Л-1 Блоки лотка по серии 3.503.1-66.