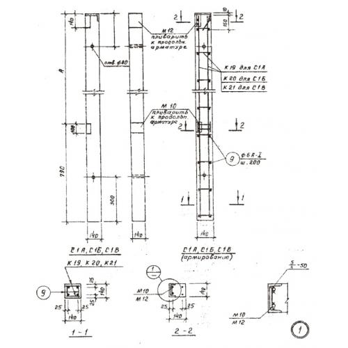
С 1 В столб забора

Чертеж изделия:
Характеристики изделия:
ПараметрЗначение
длина2390 мм
ширина140 мм
высота140 мм
масса117,5 кг
нормативный документСерия 3.017-1

С 1 В  Столбы оград Серия 3.017-1.