С 5 В
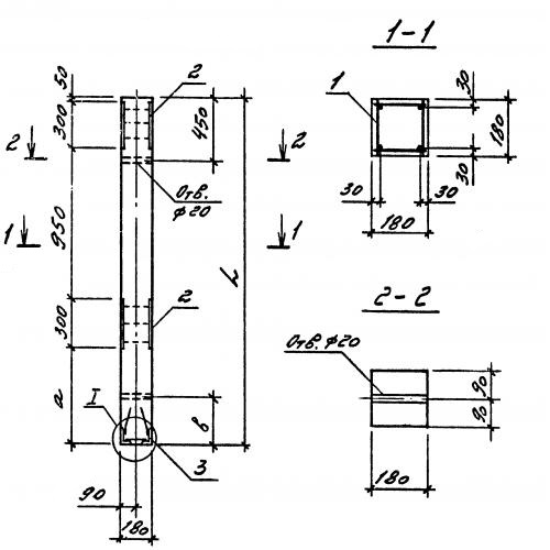
Характеристики изделия:
| Параметр | Значение |
|---|---|
| длина | 2700 мм |
| ширина | 180 мм |
| высота | 180 мм |
| масса | 230 кг |
| нормативный документ | Серия 3.016.1-9 |
Цена:
Рассчитать стоимостьС 5 В Стойки кабельные Серия 3.016.1-9.
| Параметр | Значение |
|---|---|
| длина | 2700 мм |
| ширина | 180 мм |
| высота | 180 мм |
| масса | 230 кг |
| нормативный документ | Серия 3.016.1-9 |
С 5 В Стойки кабельные Серия 3.016.1-9.
