Фм 5
Характеристики изделия:
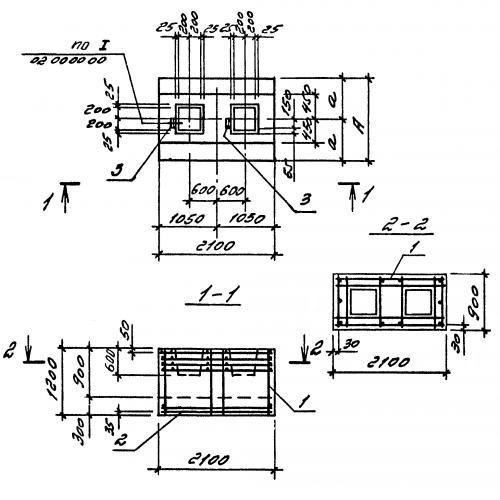
| Параметр | Значение |
|---|---|
| длина | 2100 мм |
| ширина | 1500 мм |
| высота | 1200 мм |
| масса | 6625 кг |
| нормативный документ | Серия 3.016.1-9 |
Цена:
Рассчитать стоимостьФм 5 Фундаменты монолитные Серия 3.016.1-9.
| Параметр | Значение |
|---|---|
| длина | 2100 мм |
| ширина | 1500 мм |
| высота | 1200 мм |
| масса | 6625 кг |
| нормативный документ | Серия 3.016.1-9 |
Фм 5 Фундаменты монолитные Серия 3.016.1-9.
