ПД 75.90.10 плиты днища

Чертеж изделия:
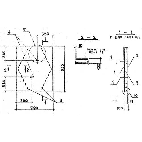
Характеристики изделия:
ПараметрЗначение
длина740 мм
ширина880 мм
высота100 мм
масса160 кг
нормативный документСерия 3.006.1-8

ПД 75.90.10  Плиты днища каналов Серия 3.006.1-8.