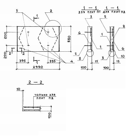
ПД 300.90.10 плиты днища
Характеристики изделия:
| Параметр | Значение |
|---|---|
| длина | 2990 мм |
| ширина | 880 мм |
| высота | 100 мм |
| масса | 660 кг |
| нормативный документ | Серия 3.006.1-8 |
Цена:
Рассчитать стоимостьПД 300.90.10 Плиты днища каналов Серия 3.006.1-8.
| Параметр | Значение |
|---|---|
| длина | 2990 мм |
| ширина | 880 мм |
| высота | 100 мм |
| масса | 660 кг |
| нормативный документ | Серия 3.006.1-8 |
ПД 300.90.10 Плиты днища каналов Серия 3.006.1-8.