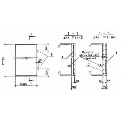
П 11

Чертеж изделия:
Характеристики изделия:
ПараметрЗначение
длина2990 мм
ширина1480 мм
высота100 мм
масса1100 кг
нормативный документСерия 3.006.1-2/82

П 11  Плиты перекрытия лотков Серия 3.006.1-2/82.