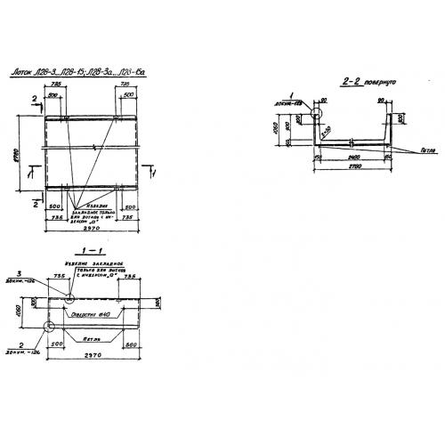
Л 28
Характеристики изделия:
| Параметр | Значение |
|---|---|
| длина | 2970 мм |
| ширина | 2780 мм |
| высота | 1060 мм |
| масса | 4950 кг |
| нормативный документ | Серия 3.006.1-2/82 |
Цена:
Рассчитать стоимостьЛ 28 Лотки теплотрасс Серия 3.006.1-2/82.
| Параметр | Значение |
|---|---|
| длина | 2970 мм |
| ширина | 2780 мм |
| высота | 1060 мм |
| масса | 4950 кг |
| нормативный документ | Серия 3.006.1-2/82 |
Л 28 Лотки теплотрасс Серия 3.006.1-2/82.
