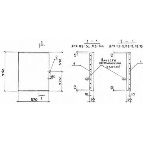
П 3
Характеристики изделия:
| Параметр | Значение |
|---|---|
| длина | 740 мм |
| ширина | 570 мм |
| высота | 50 мм |
| вес | 50 кг |
| серия | 3.006-2 |
Цена:
Рассчитать стоимостьП 3 Плиты перекрытия лотков по серии 3.006-2.
| Параметр | Значение |
|---|---|
| длина | 740 мм |
| ширина | 570 мм |
| высота | 50 мм |
| вес | 50 кг |
| серия | 3.006-2 |
П 3 Плиты перекрытия лотков по серии 3.006-2.
