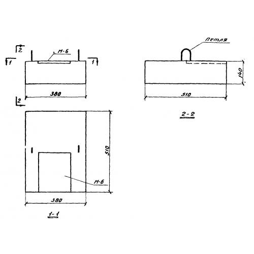
СПО 4-5

Чертеж изделия:
Характеристики изделия:
ПараметрЗначение
длина380 мм
ширина510 мм
высота140 мм
вес68 кг
серия1.862-1

СПО 4-5 Опорные подушки для сельскохозяйственного строительства по серии 1.862-1.