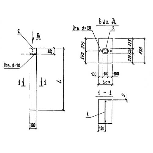
УБ 24.55

Чертеж изделия:
Характеристики изделия:
ПараметрЗначение
длина2385 мм
ширина300 мм
высота550 мм
вес980 кг
серия1.432.1-20

УБ 24.55 Блоки угловые по серии 1.432.1-20.