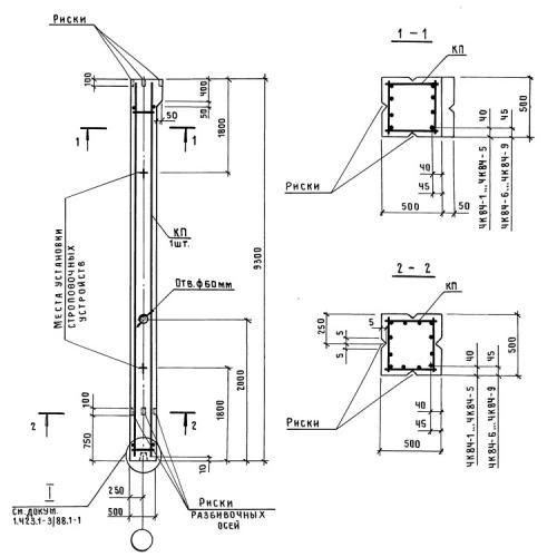
4К 84 колонны
Характеристики изделия:
| Параметр | Значение |
|---|---|
| длина | 9300 мм |
| ширина | 500 мм |
| высота | 500 мм |
| масса | 5800 кг |
| нормативный документ | Серия 1.423.1-3/88 |
Цена:
Рассчитать стоимость4К 84 Колонны Серия 1.423.1-3/88.
| Параметр | Значение |
|---|---|
| длина | 9300 мм |
| ширина | 500 мм |
| высота | 500 мм |
| масса | 5800 кг |
| нормативный документ | Серия 1.423.1-3/88 |
4К 84 Колонны Серия 1.423.1-3/88.
