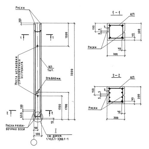
К 48 колонны

Чертеж изделия:
Характеристики изделия:
ПараметрЗначение
длина5000 мм
ширина300 мм
высота300 мм
масса1100 кг
нормативный документСерия 1.423-3

К 48  Колонны Серия 1.423-3.