ПШЛ 63-36
Характеристики изделия:
| Параметр | Значение |
|---|---|
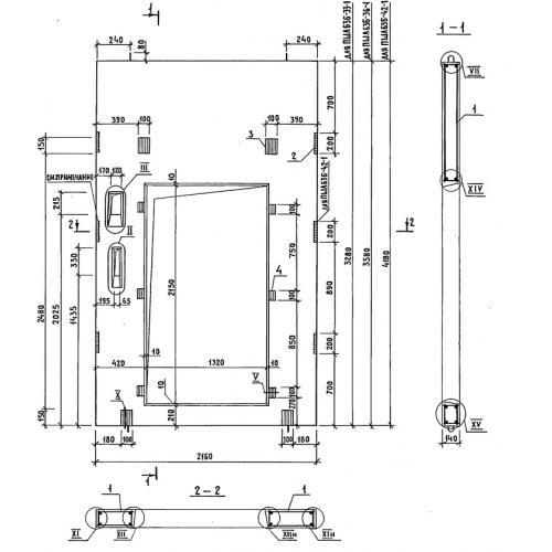
| длина | 2160 мм |
| ширина | 140 мм |
| высота | 3580 мм |
| вес | 1650 кг |
| серия | 1.289.1-2 |
Цена:
Рассчитать стоимостьПШЛ 63-36 Панели шахт лифтов по серии 1.289.1-2.
| Параметр | Значение |
|---|---|
| длина | 2160 мм |
| ширина | 140 мм |
| высота | 3580 мм |
| вес | 1650 кг |
| серия | 1.289.1-2 |
ПШЛ 63-36 Панели шахт лифтов по серии 1.289.1-2.
