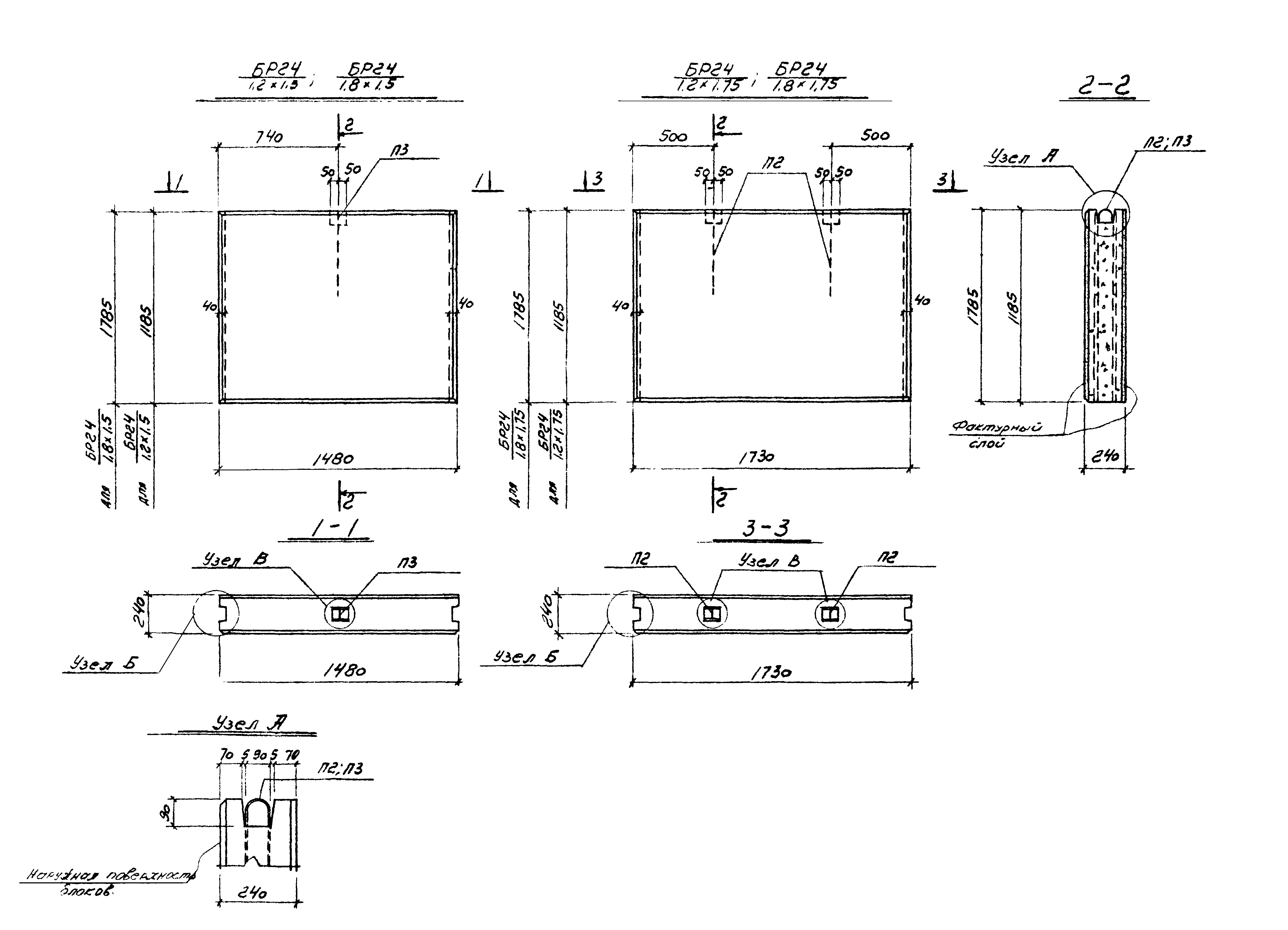
БР 24
Характеристики изделия:
| Параметр | Значение |
|---|---|
| длина | 1750 мм |
| ширина | 240 мм |
| высота | 1800 мм |
| вес | 1210 кг |
| серия | 1.262-205 КЖИ1 |
Цена:
Рассчитать стоимостьБР 24 Блоки легкобетонные для встроенных конструкций по серии 1.262-205 КЖИ1.
| Параметр | Значение |
|---|---|
| длина | 1750 мм |
| ширина | 240 мм |
| высота | 1800 мм |
| вес | 1210 кг |
| серия | 1.262-205 КЖИ1 |
БР 24 Блоки легкобетонные для встроенных конструкций по серии 1.262-205 КЖИ1.
