ЛП-28.21

Чертеж изделия:
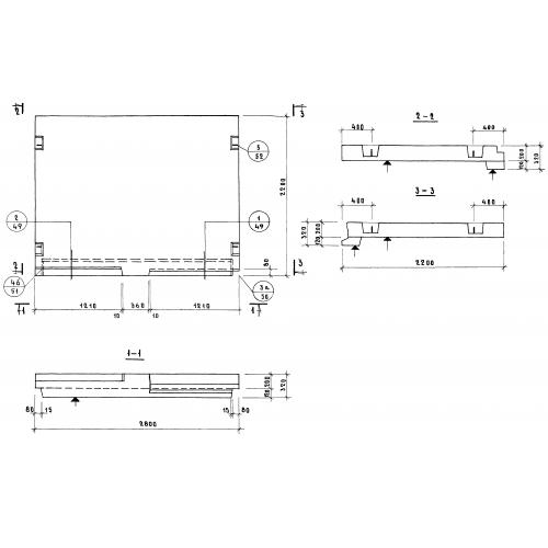
Характеристики изделия:
ПараметрЗначение
длина2800 мм
ширина2200 мм
высота320 мм
вес3320 кг
серия1.152-7

ЛП-28.21 Лестничные площадки ребристые по серии 1.152-7.