П 36.48.12

Чертеж изделия:
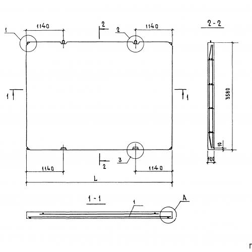
Характеристики изделия:
ПараметрЗначение
длина4780 мм
ширина3580 мм
высота120 мм
вес5130 кг
серия1.143.1-7

П 36.48.12 Плиты перекрытий по серии 1.143.1-7.