1ПР 29

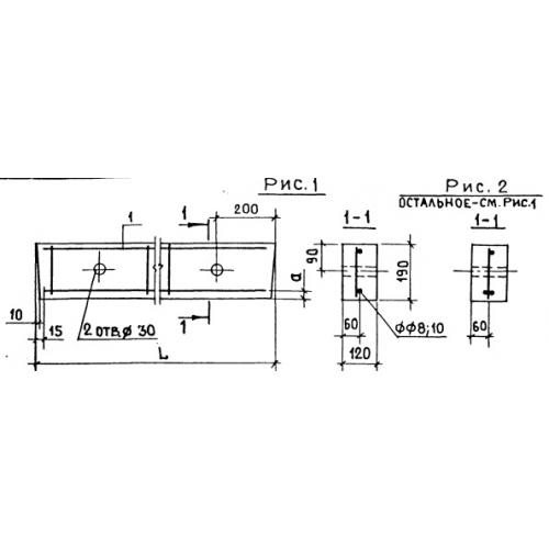
Чертеж изделия:
Характеристики изделия:
ПараметрЗначение
длина2980 мм
ширина120 мм
высота220 мм
вес195 кг
серия1.138-10

1ПР 29 Перемычки брусковые по серии 1.138-10.