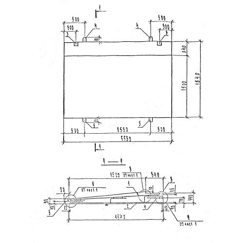
ПКВ 27.18

Чертеж изделия:
Характеристики изделия:
ПараметрЗначение
длина2680 мм
ширина1840 мм
высота140 мм
масса1430 кг
нормативный документСерия 1.137.1 КЛ-3

ПКВ 27.18  Козырьки входов для общественных зданий Серия 1.137.1 КЛ-3.