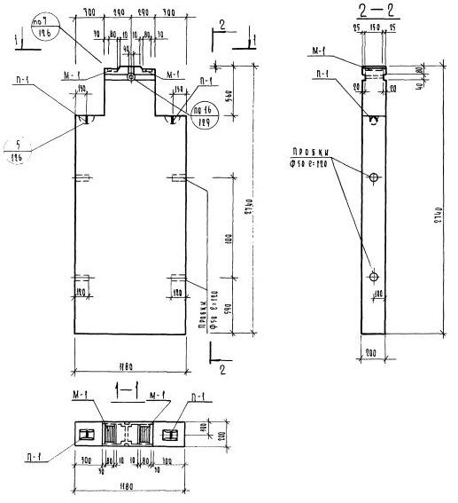
СБВ-12.2.28т-3

Чертеж изделия:
Характеристики изделия:
ПараметрЗначение
Длина1180 мм
Ширина200 мм
Высота2740 мм
Масса1450 кг
Нормативный документСерия 1.134-1

Блоки внутренних  стен  по Серии 1.134-1.

СБВ-12.2.28т-3   Стеновой блок внутренний.