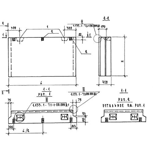
2БН 15.7.50

Чертеж изделия:
Характеристики изделия:
ПараметрЗначение
длина1490 мм
ширина420 мм
высота660 мм
вес610 кг
серия1.133.1-7

2БН 15.7.50 Блоки подоконные по серии 1.133.1-7.