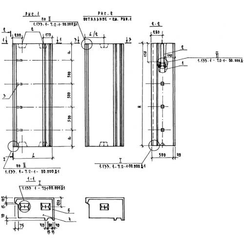
1БНТ 8.27.50

Чертеж изделия:
Характеристики изделия:
ПараметрЗначение
длина810 мм
ширина500 мм
высота2680 мм
вес1460 кг
серия1.133.1-7

1БНТ 8.27.50 Блоки простеночные температурных швов по серии 1.133.1-7.