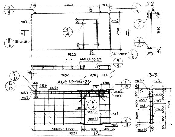
В1.3-56.27.12-2.5

Чертеж изделия:
Характеристики изделия:
ПараметрЗначение
длина5620 мм
ширина120 мм
высота2650 мм
масса3880 кг
нормативный документСерия 1.131-1

В1.3-56.27.12-2.5    Внутренние стеновые панели   (Серия 1.131-1).