2 ОСП 35

Чертеж изделия:
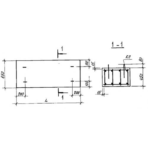
Характеристики изделия:
ПараметрЗначение
длина1600 мм
ширина650 мм
высота450 мм
вес1550 кг
серия1.111.1-4

2ОСП 35 Оголовки свайные с платформенным сопряжением по серии 1.111.1-4.