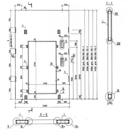
ПШЛ 100-36

Чертеж изделия:
Характеристики изделия:
ПараметрЗначение
длина2160 мм
ширина140 мм
высота3580 мм
вес1450 мм
серия1.089.1-2

ПШЛ 100-36 Панель шахты для пассажирского лифта по серии 1.089.1-2.