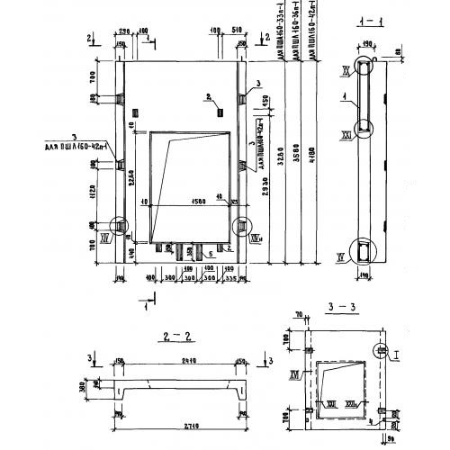
ПШЛ 160-36 панель шахты лифта основная

Чертеж изделия:
Характеристики изделия:
ПараметрЗначение
длина2710 мм
ширина380 мм
высота3580 мм
масса2740 кг
нормативный документСерия 1.089.1-1

ПШЛ 160-36 Панели шахт лифтов Серия 1.089.1-1.