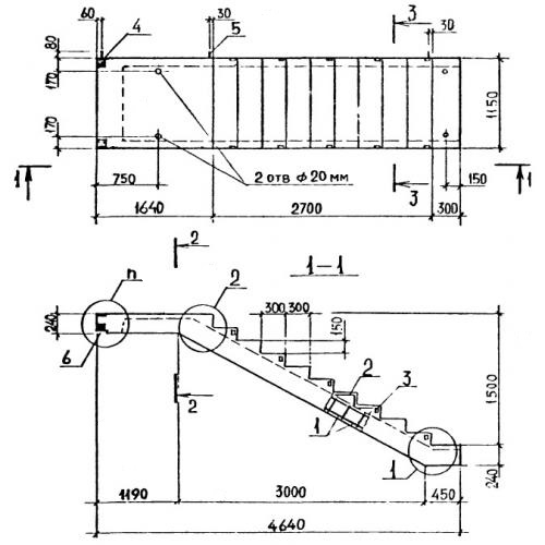
ЛМП 60.11.15 лестничные марши
Характеристики изделия:
| Параметр | Значение |
|---|---|
| длина | 4640 мм |
| ширина | 1150 мм |
| высота | 1500 мм |
| масса | 2000 кг |
| нормативный документ | Серия 1.050.1-2 |
Цена:
Рассчитать стоимостьЛМП 60.11.15 Лестничные марши ребристые с полуплощадками Серия 1.050.1-2.
