ПК 52-30-16

Чертеж изделия:
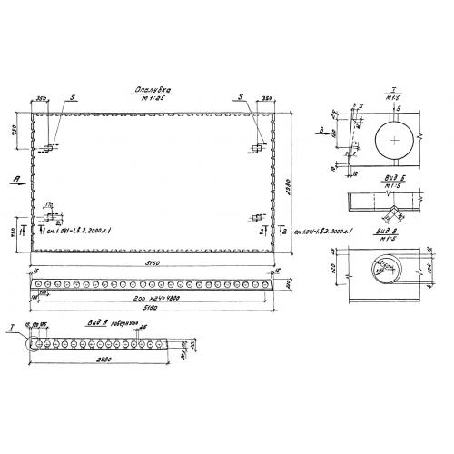
Характеристики изделия:
ПараметрЗначение
длина5160 мм
ширина2980 мм
высота220 мм
вес3800 кг
серия1.041-1

ПК 52-30-16 Многопустотные плиты перекрытия по серии 1.041-1.