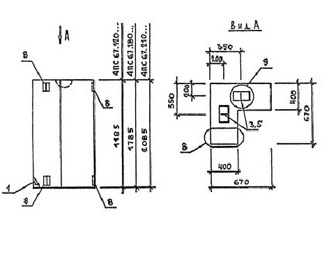
ПС 67.120.40 панели стеновые

Чертеж изделия:
Характеристики изделия:
ПараметрЗначение
длина670 мм
ширина400 мм
высота1185 мм
масса630 кг
нормативный документСерия 1.030.1-1/88

ПС 67.120.40  Панели стеновые Серия 1.030.1-1/88.