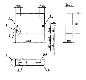
ПС 60.18.3.5 панели стеновые
Характеристики изделия:
| Параметр | Значение |
|---|---|
| длина | 5980 мм |
| ширина | 350 мм |
| высота | 1785 мм |
| масса | 5300 кг |
| нормативный документ | Серия 1.030.1-1/88 |
Цена:
Рассчитать стоимостьПС 60.18.3.5 Панели стеновые для стен многоэтажных зданий в районах сейсмичностью 7, 8 и 9 баллов Серия 1.030.1-1/88.