ПС 57.21.4.0 панели стеновые

Чертеж изделия:
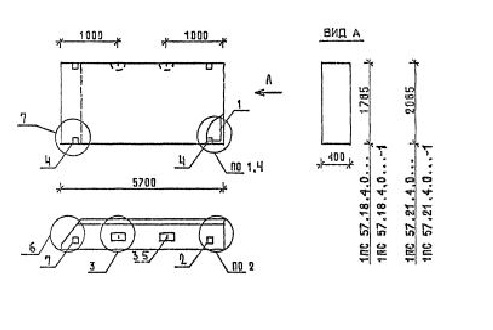
Характеристики изделия:
ПараметрЗначение
длина5700 мм
ширина400 мм
высота2085 мм
масса6640 кг
нормативный документСерия 1.030.1-1/88

ПС 57.21.4.0  Панели стеновые Серия 1.030.1-1/88.