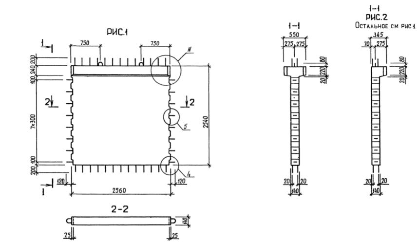
2Д 26.25

Чертеж изделия:
Характеристики изделия:
ПараметрЗначение
длина2800 мм
ширина550 мм
высота2940 мм
масса2930 кг
нормативный документСерия 1.020.1-3пв

2Д 26.25  Диафрагмы жесткости с двумя полками Серия 1.020.1-3пв.