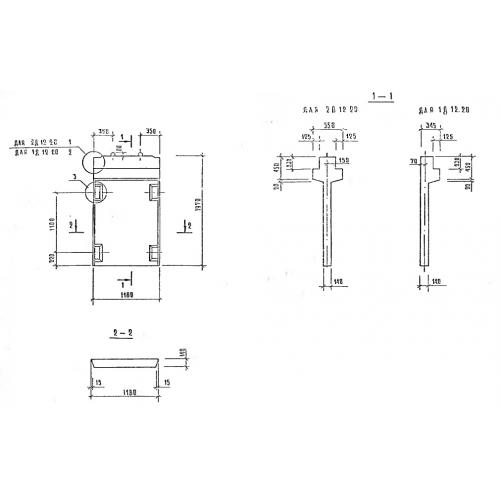
1Д 12.20 диафрагмы жесткости
Характеристики изделия:
| Параметр | Значение |
|---|---|
| длина | 1180 мм |
| ширина | 345 мм |
| высота | 1970 мм |
| масса | 1000 кг |
| нормативный документ | Серия 1.020-1/87 |
Цена:
Рассчитать стоимость1Д 12.20 Диафрагмы жесткости с одной полкой Серия 1.020-1/87.
