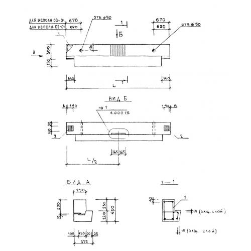
РОП 4.41

Чертеж изделия:
Характеристики изделия:
ПараметрЗначение
длина4060 мм
ширина375 мм
высота450 мм
масса1350 кг
нормативный документСерия 1.020-1

РОП 4.41  Ригели с одной полкой для опирания многопустотных панелей перекрытия Серия 1.020-1.