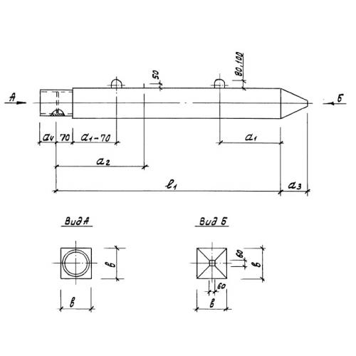
С 8-30

Чертеж изделия:
Характеристики изделия:
ПараметрЗначение
длина8000 мм
ширина300 мм
высота300 мм
вес1800 кг
серия1.011-КЖИ.10000

С 8-30 Сваи составные по серии 1.011-КЖИ.10000.