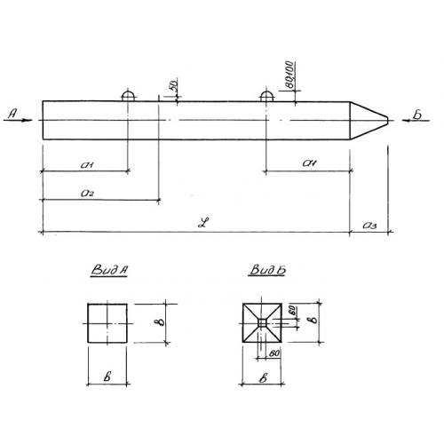
СН 10-35
Характеристики изделия:
| Параметр | Значение |
|---|---|
| длина | 10000 мм |
| ширина | 350 мм |
| высота | 350 мм |
| масса | 3100 кг |
| нормативный документ | Серия 1.011-6 |
Цена:
Рассчитать стоимостьСН 10-35 Сваи цельные сплошного квадратного сечения с напрягаемой арматурой (Серия 1.011-6).
