Ф5
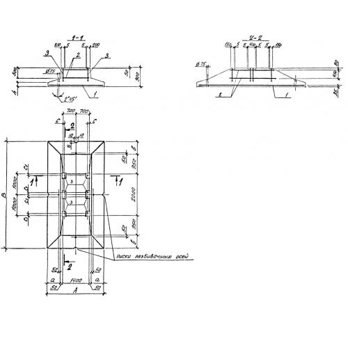
Характеристики изделия:
| Параметр | Значение |
|---|---|
| длина | 2700 мм |
| ширина | 5100 мм |
| высота | 900 мм |
| вес | 16930 кг |
| серия | 0-221-84 |
Цена:
Рассчитать стоимостьФ5 Плиты фундаментные по серии 0-221-84.
| Параметр | Значение |
|---|---|
| длина | 2700 мм |
| ширина | 5100 мм |
| высота | 900 мм |
| вес | 16930 кг |
| серия | 0-221-84 |
Ф5 Плиты фундаментные по серии 0-221-84.
