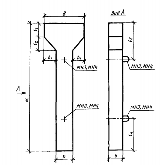
К 38

Чертеж изделия:
Характеристики изделия:
ПараметрЗначение
длина3750 мм
ширина450 мм
высота200 мм
масса490 кг
нормативный документГОСТ 23899-79

К 38  Колонны железобетонные под параболические лотки ГОСТ 23899-79.