СС 108.6-2 стойки сети железных дорог
Характеристики изделия:
| Параметр | Значение |
|---|---|
| длина | 10800 мм |
| ширина | 450 мм |
| высота | 450 мм |
| масса | 1580 кг |
| нормативный документ | ГОСТ 19330-99 |
Цена:
Рассчитать стоимостьСтандарт изготовления изделия: ГОСТ 19330-99
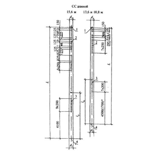
Стойки СС 108.6-2 – ЖБИ, используемые в стройке контактных ж/д дорог. В сечении элементы представляют собой коническое кольцо заданного диаметра. По длине стержня имеется ряд вентиляционных отверстий. Ближе к ним в нижней части имеется диагностический репер, используемый для подключения проверочной аппаратуры. На поверхности стоек нанесены специальные риски. С их помощью определяют центр тяжести и положение в пространстве. Для соединения с консолями и кронштейнами имеются закладные металлические звенья; для закрепления к стакану фундамента – анкерные болты.
СС - стойки, устанавливаемые в фундаменте стаканного типа или закапываемые непосредственно в грунт (нераздельные);
ССА - стойки с болтовым креплением к фундаменту (раздельные).
